- Author : Hom
- Version : v1.0
- Update : 2015/05/30
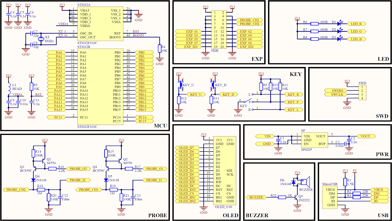
MicroMultimeter是一個多功能的數位電表,著重於簡單、攜帶以及擴充性,以應付日常電路、微控制器開發除錯及測量為主要目的。MicroMultimeter同時也是一個開源硬體、軟體的一個項目,相關的資源都可以從GitHub上取得,基本功能有電壓測量、二極體測量、短路斷路測量、PWM輸入輸出、波形顯示,搭配其包含UART、SPI、I2C、PWM的擴充埠,可及增加更多樣化的應用及延伸。
- 硬體(Hardware)採用 CC BY-SA 4.0 方式授權
MicroMultimeter v1.0 由 KitSprout 製作,以 創用CC 姓名標示-相同方式分享 4.0 國際 授權條款 釋出。
- 軟體(Software)採用 MIT License 方式授權
- 控制器 : STM32F103C 48Pin 72MHz DSP FPU
- 顯示器 : OLED_9.6-inch ( 9.6" 96*64 ),使用 SPI 操作
- 外接介面 : 1UART、1SPI、1I2C ( EXP )、1USB ( Micro )
- PCB 尺寸 : 43.05 * 25.4mm ( Screws M3: 33 * 20mm )
- 設計軟體 Altium Designer 15 ( PcbLib use AD PcbLib v1.4 )




