Brune network synthesis in python
In order to synthesize a brune circuit, first put your impedance in the form
i.e. a sum over poles with residues, and a constant offset. If this form is not easily accessible, try fitting it numerically using vector fitting.
Then use the function vectfit_to_brune(poles, residues, offset) to generate
a list of stages, and a final resistor. The stages are of the form
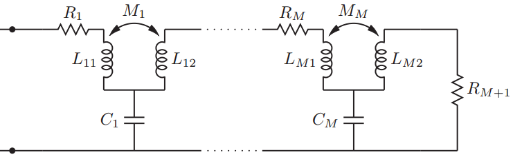
(r1, l1, c2, l2, l3), coresponding to the brune model
and the correspondence
Note that necessarily, either L1 or L3 will be negative. This would seem unphysical except for equivalence to a set of coupled inductors.
Check that the model reproduces the data on
some test points with
compose_brune_stages(1j*frequencies, stages, rfinal)


